High-performance transformer and feeder protection device

Protection that raises the bar for every bay

Sepam Series 80 delivers advanced, high-density protection for feeders, transformers, motors, generators, and capacitors — with modular expansion, deep diagnostics, and powerful automation for critical networks.

Explore More

Complex networks punish relays that can’t keep up

Old devices lag on high fault levels, miss directional logic, choke on complex reclosing schemes, and fall apart in harsh industrial sites. That means wrong trips, long downtimes, and zero visibility when it matters most.

Weak directional logic

No high-density staging

Limited automation depth

Poor disturbance insight

Fragile in harsh sites

Meet Sepam Series 80 — built for complexity without compromise

Sepam 80 brings advanced ANSI-grade protection with up to eight stages of phase and earth fault, directional logic, REF, overpower, thermal, differential, reclosing, and synchro-check. It handles transformers, motors, generators, feeders, and capacitor banks in one unified architecture. With Logipam ladder logic, modular I/O, IEC 61850 Level 2, GOOSE redundancy, and rugged construction, Sepam 80 becomes the high-performance protection and control hub for the toughest industrial and utility networks.

Meet Sepam Series 80 — built for complexity without compromise
Meet Sepam Series 80 — built for complexity without compromise
Meet Sepam Series 80 — built for complexity without compromise
Meet Sepam Series 80 — built for complexity without compromise
Meet Sepam Series 80 — built for complexity without compromise

High-range protection. High-reliability control. High-confidence operation.

More stages. More logic. More visibility.

Deep protection layers

Up to eight stages of phase and earth fault for complex coordination.

Differential made simple

Transformer, motor, and generator differential in one platform.

Smarter reclosing & transfer

Advanced reclose, load shedding, and automatic transfer logic built-in.

Industrial-grade durability

Conformal-coated boards resist heat, humidity, and harsh industrial environments.

High-resolution metering

Voltage, current, power, frequency, temperature — all measured with precision.

Programmable intelligence

Logipam ladder logic customizes schemes, workflows, and interlocks.

Communication that scales

Dual Ethernet, IEC 61850 Level 2, GOOSE, Modbus, DNP3 — ready for digital substations.

Designed for precision, expansion, and digital integration

Modular build. High-end protection. Modern comms.

Designed for precision, expansion, and digital integration
Designed for precision, expansion, and digital integration

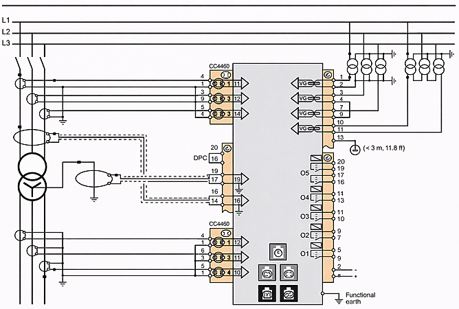
3 phase CT + residual CT inputs

3 phase VT + residual VT inputs

Expandable I/O via MES120 modules

DIN rail or panel-mount modular design

Up to 8× overcurrent stages

Up to 8× earth fault stages

Directional phase and EF

SEF, REF

Differential (transformer/motor/generator)

Negative sequence unbalance

Thermal overload

Recloser control

Synchro-check

Load shedding and auto transfer

Breaker failure

RS485, Ethernet, fiber

IEC 61850 L1/L2, GOOSE

Modbus RTU/TCP

DNP3

IEC 60870-5-103

IRIG-B and SNTP sync

24–250 V DC and 100–240 V AC

–25°C to +70°C

IP52 front protection

Conformal-coated for harsh industrial sites

Where Sepam 80 turns complexity into control

One relay family. Endless bay applications.

Substation feeders and incomers

Transformers (2- and 3-winding, auto)

Motors with thermal and mechanical supervision

Generators with differential and SEF

Capacitor banks with unbalance detection

LV/MV switchboards

Industrial automation-heavy substations

Ready for networks that never get a break

Built for uptime. Trusted everywhere.

Utilities

Utilities

Utilities

Oil and Gas

Mining and Metals

Cement

Process industries

Manufacturing complexes

Data centers

Heavy infrastructure

Complex Industrial and Utility Networks

Sepam Series 80 is engineered for industrial and utility substations where precision and uptime are essential. It handles high-density feeders, motors, transformers, generators, and capacitor banks with advanced automation, deep diagnostics, and rugged construction — ideal for harsh sites and critical operations.

Services
Relay Testing, Programming & Configuration

Relay Testing, Programming & Configuration

Complementary Protection Solutions

Extend your network protection with compatible Sepam and VAMP devices. Related products offer specialized protection, modular expansion, and advanced monitoring to ensure safe, fast, and reliable operation across all feeders and equipment types.

Take control of complex protection schemes

Configure Sepam Series 80 for feeders, transformers, motors, and generators — with the depth your network demands.

Get A Quote
Get A Quote
0 Enquiry List